Additional Information
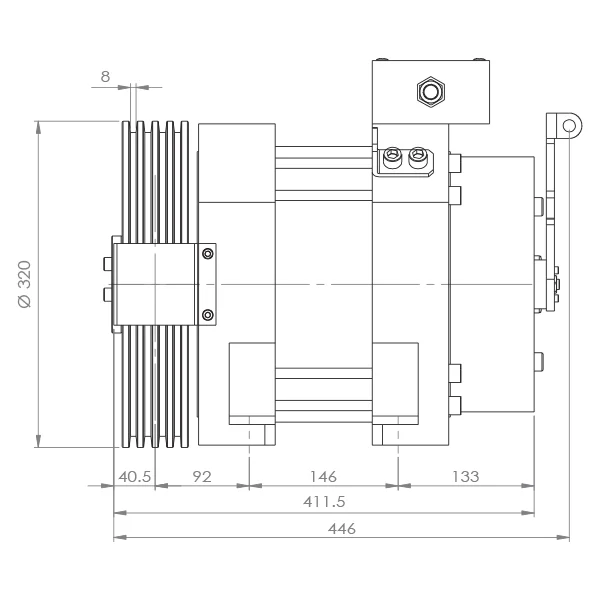
| Model | Load (in kg) | Roping | Speed (in m/sec) | Height (m) | Sheave (mm) | Rope (mm) | No. of Grove | Power (KW) | Amp | Rating | INS Class | IP Class |
|---|---|---|---|---|---|---|---|---|---|---|---|---|
| VL 1000 10S | 408 | 2/1 | 0.7 | ⩽30 | ∅200 | 8 | 4 | 2.4 | 7.5 | S5 (40%) | F Class | IP-40 |
| VL 1000 10S | 408 | 2/1 | 1.0 | ⩽30 | ∅240 | 8 | 4 | 2.6 | 8.5 | S5 (40%) | F Class | IP-40 |
| VL 1000 10S | 408 | 2/1 | 1.0 | ⩽30 | ∅320 | 8 | 4 | 2.6 | 8.5 | S5 (40%) | F Class | IP-40 |