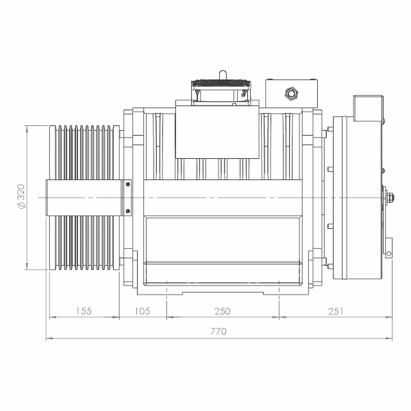
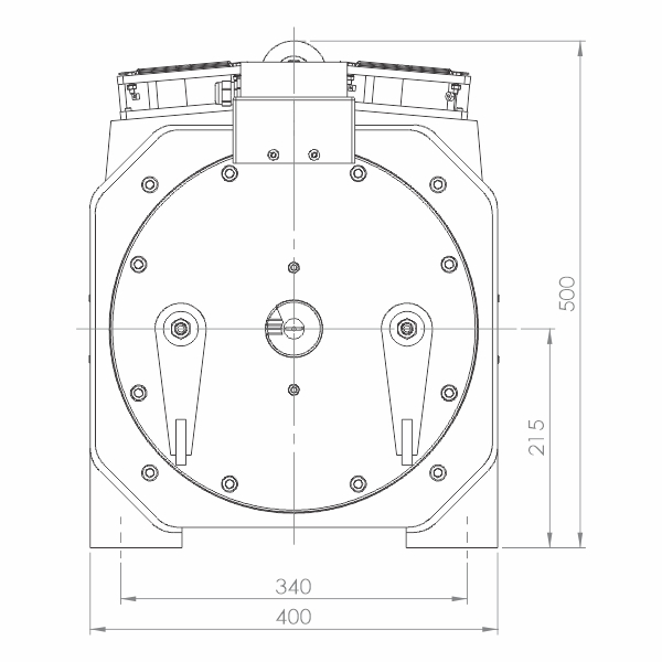
Additional Information
| Model | Load (in kg) | Roping | Speed (in m/sec) | Height (m) | Sheave (mm) | Rope (mm) | No. of Grove | Power (KW) | Amp | Rating | INS Class | IP Class |
|---|---|---|---|---|---|---|---|---|---|---|---|---|
| VL 3000 10S | 1500 | 2/1 | 1.0 | ⩽80 | ∅400 | 10 | 8 | 10.4 | 38.0 | S5 (40%) | F Class | IP-40 |
| VL 3000 10S | 1500 | 2/1 | 1.5 | ⩽80 | ∅400 | 10 | 8 | 15.3 | 40.5 | S5 (40%) | F Class | IP-40 |
| VL 3000 10S | 1500 | 2/1 | 1.5 | ⩽80 | ∅400 | 10 | 8 | 18.5 | 43.5 | S5 (40%) | F Class | IP-40 |