Additional Information
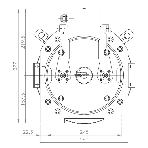
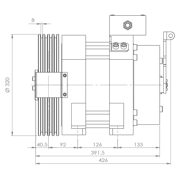
| Model | Load (in kg) | Roping | Speed (in m/sec) | Height (m) | Sheave (mm) | Rope (mm) | No. of Grove | Power (KW) | Amp | Rating | INS Class | IP Class |
|---|---|---|---|---|---|---|---|---|---|---|---|---|
| VL 500 10S | 272 | 2/1 | 0.5 | ⩽30 | ∅200 | 8 | 4 | 1.9 | 6.0 | S5 (40%) | F Class | IP-40 |
| VL 500 10S | 272 | 2/1 | 1.0 | ⩽30 | ∅240 | 8 | 4 | 2.0 | 6.7 | S5 (40%) | F Class | IP-40 |
| VL 500 10S | 272 | 2/1 | 1.0 | ⩽30 | ∅320 | 8 | 4 | 2.0 | 6.7 | S5 (40%) | F Class | IP-40 |